あおぞらブログ 葛飾区内の放射線量測定
葛飾区内で放射線量を測定する個人、市民団体、有志のブログです
HOME
11
12
13
14
15
16
17
18
19
20
[PR]
×
[PR]上記の広告は3ヶ月以上新規記事投稿のないブログに表示されています。新しい記事を書く事で広告が消えます。
金町
金町2丁目ときわ公園
金町2丁目ときわ公園の測定結果(金町2丁目16番)
測定日:2011年9月11日、10月1日、10月16日
測定機器:RADEX RD1008
測定高さ:地上5cm
PR
鎌倉
鎌倉東児童遊園
鎌倉東児童遊園の測定結果(鎌倉4丁目28番)
測定日:2011年11月6日
測定機器:RADEX RD1008
測定高さ:地上5cm
鎌倉
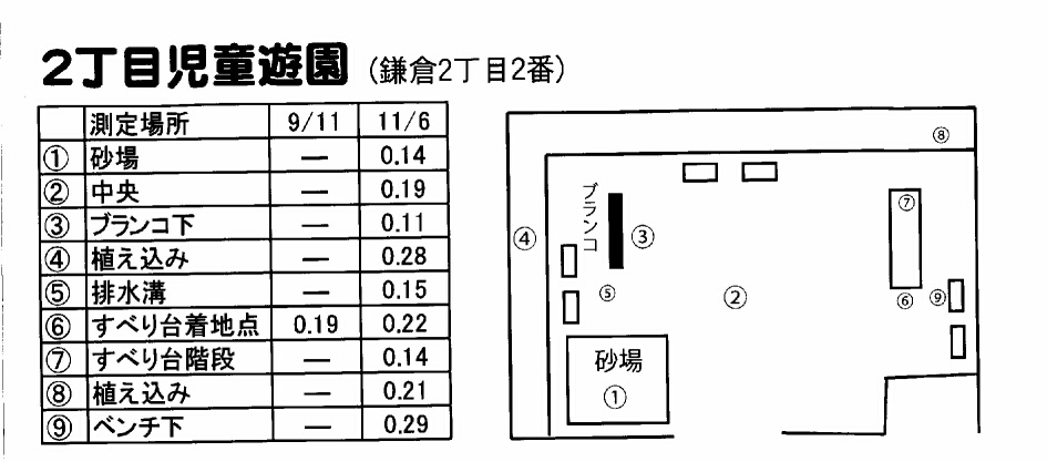
鎌倉2丁目児童遊園
鎌倉2丁目児童遊園の測定結果(鎌倉2丁目2番)
測定日:2011年9月11日、11月6日
測定機器:RADEX RD1008
測定高さ:地上5cm
鎌倉
鎌倉公園
鎌倉公園の測定結果(鎌倉3丁目22番)
測定日:2011年9月11日、10月20日、11月6日
測定機器:RADEX RD1008
測定高さ:地上5cm
高砂
住吉児童遊園
住吉児童遊園の測定結果(高砂8丁目7番)
測定日:2011年9月5日
10月8日、18日
11月3日
測定機器:RADEX RD1008
測定高さ:地上5cm
« PREV
Home
NEXT »
カレンダー
12
2026/01
02
S
M
T
W
T
F
S
1
2
3
4
5
6
7
8
9
10
11
12
13
14
15
16
17
18
19
20
21
22
23
24
25
26
27
28
29
30
31
リンク
管理画面
新しい記事を書く
新日本婦人の会葛飾支部
日本共産党葛飾区議団
こどもと区民を放射能から守る葛飾連絡会
カテゴリー
未選択 ( 1 )
東四つ木 ( 8 )
南水元 ( 5 )
東金町 ( 9 )
東水元 ( 3 )
葛飾青空の会 ( 2 )
水元公園 ( 13 )
水元 ( 4 )
高砂 ( 6 )
鎌倉 ( 3 )
金町 ( 2 )
柴又 ( 1 )
青戸 ( 2 )
東立石 ( 6 )
西新小岩 ( 1 )
新宿 ( 2 )
西亀有 ( 3 )
四つ木 ( 1 )
西水元 ( 2 )
堀切 ( 5 )
立石 ( 4 )
亀有 ( 4 )
小菅 ( 3 )
東堀切 ( 1 )
葛飾区 ( 4 )
葛飾連絡会 ( 3 )
お花茶屋 ( 1 )
フリーエリア
最新コメント
最新記事
1000か所測定・葛飾連絡会
(07/28)
東金町・公道上の測定結果
(11/27)
水元公園測定結果
(10/08)
お花茶屋地下駐輪場入口
(09/24)
柴又3丁目公道上で6.10(地上1cm)、0.57(地上1m)μSv/h
(06/16)
最新トラックバック
プロフィール
HN:
aozora2011
性別:
非公開
自己紹介:
葛飾区内で放射線量を測定する個人、市民団体、有志のブログです
バーコード
RSS
RSS 0.91
RSS 1.0
RSS 2.0
ブログ内検索
アーカイブ
2014 年 07 月 ( 1 )
2013 年 11 月 ( 1 )
2013 年 10 月 ( 1 )
2013 年 09 月 ( 1 )
2013 年 06 月 ( 3 )
最古記事
木根川中央公園
(11/02)
東四つ木公園
(11/02)
いいづか公園
(11/02)
南水元一丁目児童遊園
(11/02)
わかば公園
(11/02)
カウンター
アクセス解析
カウンター